Red ochre (badal in Gija) showing the overlapping plate-like structure of the clays in the ochre and the star-shaped nanocrystals of iron oxide that give the red colour to the ochre. In some parts of the country red ochre occurs naturally. In others, it needs to be produced by baking yellow ochre. Baking drives off water molecules bound up in the yellow ochre form of iron oxide and turns it into the red form.
The ‘star’ is around 750 nanometres across (1 nanometre is one millionth of a millimetre).
Image: Hongwei Liu
White ochre is also known as kaolin and china clay. The flat plates of the white ochre give this pigment its smooth and slippery feel. Gija ancestors used white ochre as a disguise when hunting native animals – painting their bodies so that they could not be seen. The ochre also prevents the odour of the body’s sweat from being smelled by the prey, helping the tracker get close enough to kill the animal. Kaolin is often used instead of talc to make modern body powders.
The area in this image is 520 nanometres across (1 nanometre is one millionth of a millimetre).
Image by Hongwei Liu
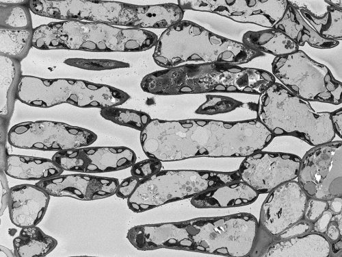
The dome-shaped chloroplasts that line these leaf cells capture the sun’s energy to make sugars. These are stored as the white starch granules you can see inside the chloroplasts. That starch will help to fuel the growth of these magnificent trees. Some trees could be as old as 1000 years. River red gums live along water courses throughout Australia and play an essential role in Aboriginal life. River red gum leaves are used for smoking ceremonies (mantha in Gija) when welcoming new visitors on country. They can be used as a bush medicine, treating sores, colds and the flu.
The area in this image is 108 micrometres across (1 micrometre is one thousandth of a millimetre).
Image: Minh Huynh, Elinor Goodman and Margaret Barbour
In this artwork there are a total of six squares but the top three are all representations of different materials and what they look
like, looking closely at them under a microscope. Also below each representation are stories from what I have learnt from my elders within the community. I’ve chosen to include within my artwork.
1. Red Ochre – The star shape figure on the left – I found out what red ochre looks like under the microscope, surrounded by the many other different shades of black, grey and white.
There once was a woman that worked on Texas Downs Station, back in the days when white pastoralists owned Texas. Her name was Goodbarriya, one day as she was looking for sweet sugarbag (bush honey) when horns started suddenly growing from her head. She felt ashamed and did not want to return back home so she stayed in a cave at Red Butte for the rest of her days. Here she became ‘clever’, and was never seen since from anyone.
2. White Ochre – The second piece of square, I have chosen to represent is white ochre – I enjoyed very much painting this. I love the shapes and how each shade overlaps each other.
In the Ngarranggarni (Dreaming), people had a trading relationship with their seaside countrymen for many years. Gija people would exchange hand-made spears for seashells from the saltwater country. Once there was a fight between two man which ended badly, leaving one of them dead. All the trading had stopped and all the spears were dropped at this place in what is now called Texas Downs Station. The pointy shape of the hill is where all the spears were left after the fight. Today it is known as Garlumbuny Hill; garlumbuny is the Gija word for spear.
3. Eucalyptus Leaves – The last square is a representation of eucalyptus leafs (binkany), the leaves from the tree itself are used as medicine, it is very effective when treating sores, cold sick and aching muscles. In the beginning of hot season the eucalyptus leafs are covered with tiny white sugar that you can eat.
Artist: April Nulgit
| Cookie | Duration | Description |
|---|---|---|
| ci_session | 2 hours | This cookie is set as default session Cookie name in config.php in config folder in CodeIgniter. |
| cookielawinfo-checkbox-advertisement | 1 year | Set by the GDPR Cookie Consent plugin, this cookie is used to record the user consent for the cookies in the "Advertisement" category . |
| cookielawinfo-checkbox-analytics | 11 months | This cookie is set by GDPR Cookie Consent plugin. The cookie is used to store the user consent for the cookies in the category "Analytics". |
| cookielawinfo-checkbox-functional | 11 months | The cookie is set by GDPR cookie consent to record the user consent for the cookies in the category "Functional". |
| cookielawinfo-checkbox-necessary | 11 months | This cookie is set by GDPR Cookie Consent plugin. The cookies is used to store the user consent for the cookies in the category "Necessary". |
| cookielawinfo-checkbox-others | 11 months | This cookie is set by GDPR Cookie Consent plugin. The cookie is used to store the user consent for the cookies in the category "Other. |
| cookielawinfo-checkbox-performance | 11 months | This cookie is set by GDPR Cookie Consent plugin. The cookie is used to store the user consent for the cookies in the category "Performance". |
| viewed_cookie_policy | 11 months | The cookie is set by the GDPR Cookie Consent plugin and is used to store whether or not user has consented to the use of cookies. It does not store any personal data. |
| Cookie | Duration | Description |
|---|---|---|
| player | 1 year | Vimeo uses this cookie to save the user's preferences when playing embedded videos from Vimeo. |
| Cookie | Duration | Description |
|---|---|---|
| __utma | 2 years | This cookie is set by Google Analytics and is used to distinguish users and sessions. The cookie is created when the JavaScript library executes and there are no existing __utma cookies. The cookie is updated every time data is sent to Google Analytics. |
| __utmb | 30 minutes | Google Analytics sets this cookie, to determine new sessions/visits. __utmb cookie is created when the JavaScript library executes and there are no existing __utma cookies. It is updated every time data is sent to Google Analytics. |
| __utmc | session | The cookie is set by Google Analytics and is deleted when the user closes the browser. It is used to enable interoperability with urchin.js, which is an older version of Google Analytics and is used in conjunction with the __utmb cookie to determine new sessions/visits. |
| __utmt | 10 minutes | Google Analytics sets this cookie to inhibit request rate. |
| __utmz | 6 months | Google Analytics sets this cookie to store the traffic source or campaign by which the visitor reached the site. |
| Cookie | Duration | Description |
|---|---|---|
| _ga | 2 years | The _ga cookie, installed by Google Analytics, calculates visitor, session and campaign data and also keeps track of site usage for the site's analytics report. The cookie stores information anonymously and assigns a randomly generated number to recognize unique visitors. |
| _gat_gtag_UA_16581643_8 | 1 minute | This cookie is set by Google and is used to distinguish users. |
| _gid | 1 day | Installed by Google Analytics, _gid cookie stores information on how visitors use a website, while also creating an analytics report of the website's performance. Some of the data that are collected include the number of visitors, their source, and the pages they visit anonymously. |
| CONSENT | 16 years 3 months 16 days 17 hours 15 minutes | These cookies are set via embedded youtube-videos. They register anonymous statistical data on for example how many times the video is displayed and what settings are used for playback.No sensitive data is collected unless you log in to your google account, in that case your choices are linked with your account, for example if you click “like” on a video. |
| vuid | 2 years | Vimeo installs this cookie to collect tracking information by setting a unique ID to embed videos to the website. |
| Cookie | Duration | Description |
|---|---|---|
| IDE | 1 year 24 days | Google DoubleClick IDE cookies are used to store information about how the user uses the website to present them with relevant ads and according to the user profile. |
| test_cookie | 15 minutes | The test_cookie is set by doubleclick.net and is used to determine if the user's browser supports cookies. |
| VISITOR_INFO1_LIVE | 5 months 27 days | A cookie set by YouTube to measure bandwidth that determines whether the user gets the new or old player interface. |
| YSC | session | YSC cookie is set by Youtube and is used to track the views of embedded videos on Youtube pages. |
| yt-remote-connected-devices | never | YouTube sets this cookie to store the video preferences of the user using embedded YouTube video. |
| yt-remote-device-id | never | YouTube sets this cookie to store the video preferences of the user using embedded YouTube video. |
| Cookie | Duration | Description |
|---|---|---|
| sync_active | never | No description available. |