The flower-like structures drive the sperms’ swimming motion making it able to get to the egg, which will be fertilized by the one successful sperm. These nanoscale structures are an essential element in reproduction and therefore in maintaining the continuity of the species.
Each ‘flower’ is 38 nanometres in diameter (1 nanometre is one millionth of a millimetre).
Image: Greg Rouse
Light is collected by rod cells at the back of the retina, seen here in the lower left corner. Above that are arrays of white guanine crystals that act as a reflective mirror. Light bounces off these crystals and allows the retinal rod cells to capture any light not absorbed on the first pass. In this species of shark, when they are in bright light conditions, the round black light absorbing pigment granules can move in front of the mirror-like crystals. This improves visual resolution and stops spurious light bouncing around inside the eye. In dim light, the granules can migrate away to expose the reflective plates and improve visual sensitivity. This ability is an effective adaptation to the huge range of light conditions encountered by sharks in their environment.
The area in this image is 41 micrometres wide (1 micrometre is one thousandth of a millimetre).
Image: Shaun Collin
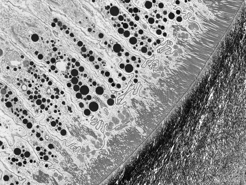
The dark granules inside the chiton cells are tiny balls of iron. These get incorporated into the chiton’s teeth to make them extremely strong and tough. These teeth enable this intertidal creature to feed by constantly scraping algae off the rocks. Chitons are eaten as a bush food in some parts of Northern Australia.
The largest black dots are 1.3micrometres in diameter (1 micrometre is one thousandth of a millimetre).
Image: Jeremy Shaw
This work is based on the Big Wet Season that comes every year to the tropics here in Far North Queensland, Tablelands and the Great Barrier Reef. Its rain pours from the tablelands to the estuaries and floods the nursery of the ocean and begins the life journey of so many of the seasonal eggs, in particular the Irukandji jellyfish, signalling the turtle season as this is their favourite food. This work is about creativity, sperm design, location, shark eye and chiton – all have a major importance in the cycle of fertility and life.
Artist: Arone Meeks
| Cookie | Duration | Description |
|---|---|---|
| ci_session | 2 hours | This cookie is set as default session Cookie name in config.php in config folder in CodeIgniter. |
| cookielawinfo-checkbox-advertisement | 1 year | Set by the GDPR Cookie Consent plugin, this cookie is used to record the user consent for the cookies in the "Advertisement" category . |
| cookielawinfo-checkbox-analytics | 11 months | This cookie is set by GDPR Cookie Consent plugin. The cookie is used to store the user consent for the cookies in the category "Analytics". |
| cookielawinfo-checkbox-functional | 11 months | The cookie is set by GDPR cookie consent to record the user consent for the cookies in the category "Functional". |
| cookielawinfo-checkbox-necessary | 11 months | This cookie is set by GDPR Cookie Consent plugin. The cookies is used to store the user consent for the cookies in the category "Necessary". |
| cookielawinfo-checkbox-others | 11 months | This cookie is set by GDPR Cookie Consent plugin. The cookie is used to store the user consent for the cookies in the category "Other. |
| cookielawinfo-checkbox-performance | 11 months | This cookie is set by GDPR Cookie Consent plugin. The cookie is used to store the user consent for the cookies in the category "Performance". |
| viewed_cookie_policy | 11 months | The cookie is set by the GDPR Cookie Consent plugin and is used to store whether or not user has consented to the use of cookies. It does not store any personal data. |
| Cookie | Duration | Description |
|---|---|---|
| player | 1 year | Vimeo uses this cookie to save the user's preferences when playing embedded videos from Vimeo. |
| Cookie | Duration | Description |
|---|---|---|
| __utma | 2 years | This cookie is set by Google Analytics and is used to distinguish users and sessions. The cookie is created when the JavaScript library executes and there are no existing __utma cookies. The cookie is updated every time data is sent to Google Analytics. |
| __utmb | 30 minutes | Google Analytics sets this cookie, to determine new sessions/visits. __utmb cookie is created when the JavaScript library executes and there are no existing __utma cookies. It is updated every time data is sent to Google Analytics. |
| __utmc | session | The cookie is set by Google Analytics and is deleted when the user closes the browser. It is used to enable interoperability with urchin.js, which is an older version of Google Analytics and is used in conjunction with the __utmb cookie to determine new sessions/visits. |
| __utmt | 10 minutes | Google Analytics sets this cookie to inhibit request rate. |
| __utmz | 6 months | Google Analytics sets this cookie to store the traffic source or campaign by which the visitor reached the site. |
| Cookie | Duration | Description |
|---|---|---|
| _ga | 2 years | The _ga cookie, installed by Google Analytics, calculates visitor, session and campaign data and also keeps track of site usage for the site's analytics report. The cookie stores information anonymously and assigns a randomly generated number to recognize unique visitors. |
| _gat_gtag_UA_16581643_8 | 1 minute | This cookie is set by Google and is used to distinguish users. |
| _gid | 1 day | Installed by Google Analytics, _gid cookie stores information on how visitors use a website, while also creating an analytics report of the website's performance. Some of the data that are collected include the number of visitors, their source, and the pages they visit anonymously. |
| CONSENT | 16 years 3 months 16 days 17 hours 15 minutes | These cookies are set via embedded youtube-videos. They register anonymous statistical data on for example how many times the video is displayed and what settings are used for playback.No sensitive data is collected unless you log in to your google account, in that case your choices are linked with your account, for example if you click “like” on a video. |
| vuid | 2 years | Vimeo installs this cookie to collect tracking information by setting a unique ID to embed videos to the website. |
| Cookie | Duration | Description |
|---|---|---|
| IDE | 1 year 24 days | Google DoubleClick IDE cookies are used to store information about how the user uses the website to present them with relevant ads and according to the user profile. |
| test_cookie | 15 minutes | The test_cookie is set by doubleclick.net and is used to determine if the user's browser supports cookies. |
| VISITOR_INFO1_LIVE | 5 months 27 days | A cookie set by YouTube to measure bandwidth that determines whether the user gets the new or old player interface. |
| YSC | session | YSC cookie is set by Youtube and is used to track the views of embedded videos on Youtube pages. |
| yt-remote-connected-devices | never | YouTube sets this cookie to store the video preferences of the user using embedded YouTube video. |
| yt-remote-device-id | never | YouTube sets this cookie to store the video preferences of the user using embedded YouTube video. |
| Cookie | Duration | Description |
|---|---|---|
| sync_active | never | No description available. |